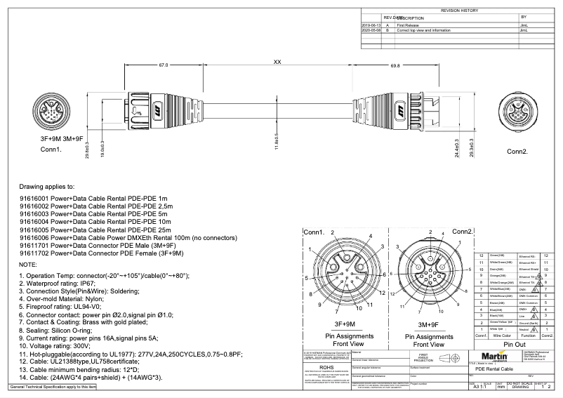
Présentation de la notice : Dessin technique Non catégorisé Martin VDO Atomic Dot
Recherchez parmi les 2 pages de la notice : Dessin technique Non catégorisé Martin VDO Atomic Dot pour trouver les informations qu'il vous manque. Vous ne trouvez pas les réponses à vos questions ? Réservez une vidéo assistance en moins de 2 minutes.
Caractéristiques
Marque | Martin |
Modèle | VDO Atomic Dot |
Catégorie | Autre |
Type de produit | Non catégorisé |
Nombre de pages | 2 Pages |
Type de fichier |
