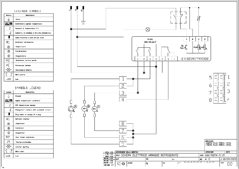
Miniature du produit Schéma de câblage

Schéma de câblage : MBM A70TN réfrigérateur

MBM Appareils ménagers Réfrigérateur

De quoi avez-vous besoin ?

En validant, je déclare accepter sans réserve les Conditions Générales et la Politique de confidentialité de wenony.fr. En validant les informations, je confirme commander un contrat WeNony Premium au tarif de 0,90 € le premier mois, puis au tarif de 49,00 € par mois avec un engagement de 12 mois. Je confirme être habilité à engager l’entreprise dans ces conditions.

Présentation de la notice : Schéma de câblage Réfrigérateur MBM A70TN

Recherchez parmi les 1 page de la notice : Schéma de câblage Réfrigérateur MBM A70TN pour trouver les informations qu'il vous manque. Vous ne trouvez pas les réponses à vos questions ? Réservez une vidéo assistance en moins de 2 minutes.

Caractéristiques

Marque MBM
Modèle A70TN
Catégorie Appareils ménagers
Type de produit Réfrigérateur
Nombre de pages 1 Page
Type de fichier
Page / 1
Page n°1 - Schéma de câblage MBM A70TN